
Contact Rating: 1A@120VAC or 28 VDC; 0.4VA max@ 20VAC OR DC max.
Electrical Life: 50,000 cycles
Contact Resistance: 20mΩ max.
Insulation Resistance: 1,000MΩ min.
Dielectric Strength: 1,500V RMS @sea level

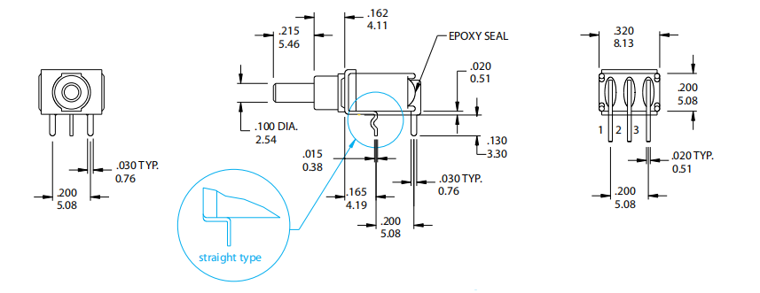
介紹:
防水按鈕開關,迷你按鍵防水IP67,有直腳和90度彎腳,有插件DIP和貼片SMD,有搭配各種帽子,常用于消費類電子。

