
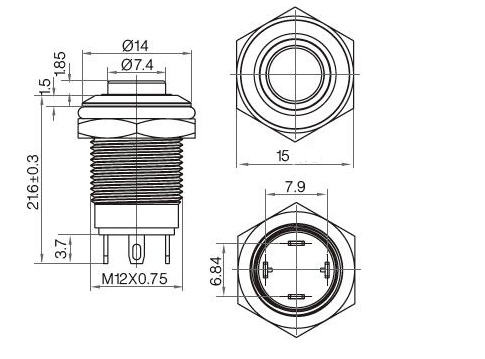
安裝尺寸:Φ12mm
開關額定值:2A/36VDC
按鍵頭部:平鈕、球鈕、高平鈕
操作類型:自復式(OFF)-ON
接觸電阻:≤50mΩ
絕緣電阻:≥1000mΩ
絕緣強度:2000VAC
環境溫度:-20℃ ~ +55℃
機械壽命:100萬次以上 >1 million times
電器壽命:20萬次以上 >0.2 million times
螺母扭矩:5~14N.m
操作壓力:400gf±100gf
操作行程:1.5±0.5mm
外殼材質:不銹鋼/黃銅鍍鎳
防水等級:IP65/IP67


介紹:
金屬開關系列,M8~M30多種規格體系列,有大電流、微電流,金屬開關對于貴重機臺設備或是掌控安全的機具,它們在惡劣環境中抵制、對抗沖擊、高壓、侵蝕,甚至帶給它們高質感的外觀與絕佳的使用性。


